Reports
Comprehensive documentation of our research findings and presentations done in Capstone course.
Presentation 1
Initial presentation to define our problem and compare benchmarking.
Presentation 2
Progress presentation bringing new findings to light to share.
Presentation 3
Final Presentation of the semester also showcasing prototype 1
33% Build Presentation
Progress presentation bringing new findings to light to share.
67% Build Presentation
Over halfway with the completed Apparatus to begin testing early.
100% Build Presentation
Finalized build, and ready to begin early rounds of testin.
Initial Testing Results
Initial raw data collected from tests, and including flow visualization of turbulent air.
Final Testing Results
Finalized results that have been normalized to have comprehesible data.
Final Presentation
Final presentation for symposium, has all data throughout the year long capstone project.
Final Report
Final report and has all data throughout the year long capstone project.
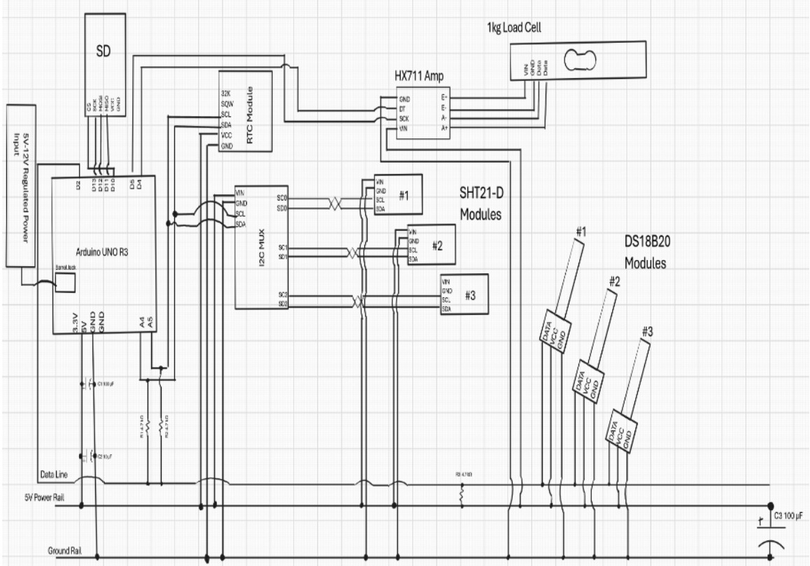
Prototype Documentation
Detailed specifications and testing results for our prototype designs.
Final CAD Model
Engineering drawings and 3D models of our evaporation reduction solution.
Utilized Resources
Key references and materials that informed our research and development.
Study on Project Nexus
Used to compare benchmarking on similar studies.
Turbulent free and forced evaporation research
An Experimental Investigation that Combined turbulent free and forced evaporation research paper.
Evap under natural conditions
Studies the rate of evaporation under "normalized" conditions
Mass Transfer Lecture Notes
From ME 450 Heat & mass transfer these notes came from Professor David Willy.
Multiphysics Modelling of open-water evaporation
This document shows Multiphysics Modelling of open-water evaporation for comparisons in our research.
Evaporation Equations for data
This document provided some equations that could be done along side ours for the evaporation calculation.